
产品概述
| 概述 |
| MNS是一种用标;隹模件由工厂组装的组合式低压开关柜,适用于交流50Hz、额定工作电压660V及以下的供电系统,用于发电、输电、配电、电能转换和电能消耗设备的控制。 本装置符合GB7251、IEC439、ZBK36001等标准。 |
| 型号说明 |
![]() |
| 使用环境条件 |
| 周围空气温度不高于+40℃,不低于-5℃,24小时内平均温度不得高+35℃,超过时需根据实际情况降容运行。 周围空气相对湿度在最高温度为+40℃不能超过50%,在较低温度时允许有较大的相对湿度,如+20℃时为90%,应考虑到由于温度的变化可能会偶然产生凝露的影响。 海拔高度不超过2000M 装置安装时与垂直的倾斜度不超过5%,且整组柜子排列相对平整。 装置应安装在无尽烈震动和冲击以及不足以实用电器元件受到不应有腐蚀的场所。 本装置适应于在以下温度范围内运输和储存:-25℃至+55℃,在短时间(24小时)内不超过+70℃。 |
| 主要技术参数 |
![]() |
| 产品特点 |
| 设计紧凑:以较小的空间容纳较多的功能单元。 结构通用性强、组装灵活,以25mm为模数的C型型材能满足各种结构形式,结构及抽出式单元可以任意组合,以满足防护等级及使用环境的要求。 采用标;隹模块设计,能安装各类先进的智能化监控系统,进行遥控管理。 采用高强度阻燃型、高绝缘强度的工程塑料组件,有效力口强防护安全性台巨。 各种大小抽屉的机械联锁机构符合标准安全规定,有连接、试验、分离、三个明显的位置,安全可靠。 柜体能背靠背排列。 导轨选用三节式新型导轨, 抽屉进出十分灵活方便, 且无须在脱离柜体的情况下就可对内装器件进行保养维护。 |
| 开关柜类型 |
| 动力配电中心柜(PC)。 电动机控制中心柜(MCC)。 功率因数自动补偿柜。 |
| 柜体结构 |
| MNS型低压开关柜框架为组合式结构,基本骨架由C型型材组装而成。C型材是以E=25mm为模数间隔安装孔的钢板弯制而咸,柜架的全部结构件经过镀锌处理(或采用敷铝锌板),通过自攻锁紧螺钉或8.8级六角螺栓紧固连接成基本柜架,力口上对应于方案变化的门,隔板,封板,安装支架以及母线功能单元等部件组装成完整的开关柜。开关柜内部尺寸,零部件尺寸, 隔室尺寸均按照模数化(E=25mm)变化,柜体基本尺寸如表2、表3。 MNS型组合式低压开关柜的第一个柜体分隔为三个室,即水平母线室(在柜后部),抽屉小室(在柜前部),电缆室(在柜下部或柜前右边)。室与室之间用钢板或高强度阻燃塑料功能板相互隔开,上下层抽屉之间有带通风孔的金属板隔离,为有效防止开关元件因故障引起的飞弧与母线或其它线路短路造成的事故,采取了严格的隔离。 MNS型低压开关柜的结构设计可满足各种进出线方案要求:上进上出,上进下出,下进上出,下进下出。 |
![]() |
| 母线系统 |
| 水平母线安装于柜后独立的母线隔室中,它有二个可选择的安装位置,母线可按需要装于上部或下部,也可以上下二组同时安装,二组母线可以单独供电,也可以并联供电。每相母线可由2根、4根、8根母排并联,母排截面有10X30X2、10X60X2、10X60X4和10X60X4X2(mm)等供选择。 垂直母线为50X30X5的L型母线,它被组装于用阻燃型塑料制造的功能板中,既可防止电弧引起的放电,又能防止人体接触,(防护等级IP20)通过特殊联接件与主母线联接。 中性母线和中性保护母线,平行地安装在功能单元隔室的下部和垂直安装在电缆室中。N线与PE线之间,如用绝缘子相隔 则N线与PE线分别使用,二者之间如用导体短接,即成PEN线。 |
| 抽屉类型 |
| 有五种标准尺寸,都是以8E(200mm)高度为基;隹,五种抽屉单元可在一个柜体中作单一组装,也可用作混合组装。一个柜体中作单一组装时最多容纳抽屉单元数见表4: |
![]() |
![]() |
| 抽屉小室 |
8E/4和8E/2抽屉小室结构包括底板、转接件、导轨和前档。转接件用于主回路和控制回路与分支母线的连接,抽屉与电缆小室的连接,转接件本体具有抗故障电弧的功能。抽屉的转接件有两种规格,8E/2至63A和8E/4至45A,均配有1 6芯的控制端子,按要求可供20芯的端子。 |
| 抽屉机械联锁 |
![]() |
![]() |
| 安装使用维护 |
| 1、安装见参考图6、图7。 2、当装置运抵目的地后,首先应检查包装箱是否完整,若装置不立即安装,应存放在干燥清洁处。 3、装置推荐为离墙安装式,安装基础平面要求平整,基础槽钢的水平误差为1/1000,总长偏差3mm。 4、所有导电部分的螺栓固定方式推荐使用8.8级和张紧垫圈,其旋紧力矩推荐值见下表: 5、电缆接好后,装置底部应封闭,以防止小动物爬入柜内造成短路事故。 6、装置在投入运行前,需进行下列各项检查和试验: A、检查开关柜内部电器设备和接线是否符合图纸要求,线端是否标有编号,接线是否整齐牢固。 B、检查所安装的电器设备接触是否良好,是否符合该电器本身的技术条件。 C、主要电器的主触头通断是否可靠、准确 D、检查机械联锁和电气联锁的可靠性。 E、检查抽出式组件动作是否灵活, 接触是否良好,不应有卡涩或操作力过大现象。 F、检查主电路和控制回路的绝缘电阻是否符合规定要求,检查并试验开关柜的接地装置是否牢靠。 G、检查并试验所有表计及继电器动作是否正确。 H、相同规格的抽屉应能方便地互换,无卡阻和碰撞现象。 |
![]() |
| 装置到运输和存放 |
| A、装置可吊装亦可铲车运输。 B、装置不许倾翻和遭受剧烈震动。 C、装置在安装就位时如要小距离移动位置,则可在底架的四个角上撬动。 D、在装置内不许随意拆卸电器产品和零部件。 E、应防止雨淋受潮,环境温度按本样本的有关规定。 |
| 订货须知 |
| 用户应提供以下资料: 主接线图方案和二次原理图; 开关柜排列图,配电室平面布置图; 开关柜柜体表面颜色; 主要电气元件的详细规格参数; 其它特殊要求。 |
| 产品的成套性 |
| 开关柜附有装箱单、产品合格证、使用说明书, 及必要的图纸,随机附件有门钥匙及根据配套清单所提供的备品备件等。 |
![]() |
![]() |
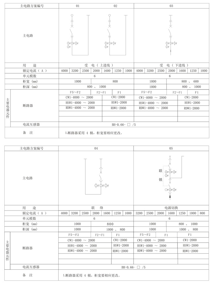
| 主电路方案 |
![]() |
![]() |
![]() |